inVENTer®Decentrálny vetrací systém pre domácnosti so spätným ziskom tepla

Ešte nikdy nemala téma vetranie domácností tak veľký význam ako v tento čas. A to z viacerých dôvodov. V posledných rokoch politici značne sprísnili energetické požiadavky na budovy. Obytné budovy musia teraz takmer spĺňať požiadavky takzvaných "nulových domov", čo znamená ročnú spotrebu tepla pre vykurovanie menšiu ako 5 kWh / m2. Tieto požiadavky ale nemožno dosiahnuť iba stále uzavretejšími konštrukciami budov a optimalizovanými tepelno-izolačnými opatreniami. Výsledkom týchto opatrení je, že nedochádza k takmer žiadnej prirodzenej výmene vzduchu.

S tým súvisí aj skutočnosť, že stále viac ľudí trávi svoj pracovný i voľný čas v uzavretých budovách. Nákupy, sociálne kontakty a pracovné stretnutia prebiehajú čoraz častejšie cez internet. A teraz sa k tomu všetkému pridal ešte výskyt coronavírusu: vedci zistili, že koncentrácia aerosolu vo vzduchu nachádzajúcom sa v miestnostiach je dôležitým faktorom pre šírenie vírusov, a preto je jednou z hlavných príčin zvýšeného rizika prenosu infekcie. 

Znamená to teda vetrať, vetrať a opäť vetrať. Bez pravidelného vetrania môže dôjsť v dôsledku vysokej vzdušnej vlhkosti k poškodeniu konštrukcie budovy a vzniku plesní. Naviac nadmerná koncentrácia oxidu uhličitého CO2 spôsobuje ľuďom zdravotné komplikácie. Viac informácií o tomto probléme nájdete na: https: //www.inventer.cz/jak-pusobi-vetrani  

inVENTER_foto 2.jpg

Najúčinnejším opatrením na odvetranie nadmernej vzdušnej vlhkosti a zníženie koncentrácie vírusov a peľov je nárazové vetranie pomocou otvorenia protiľahlých okien. Táto metóda má najmä v zimných mesiacoch veľkú nevýhodu v tom, že znateľne ochladí interiér. Permanentné dohrievanie vnútorných priestorov je drahé a ešte škodí životnému prostrediu. Studený prievan navyše znižuje imunitu - čím sa ľudia stávajú náchylnejší k inak neškodným patogénom.

Ideálnym riešením sú v tomto prípade ľahko udržiavateľné, decentrálne vetracie prístroje so spätným ziskom tepla. Tieto prístroje nielenže dlhodobo udržujú kvalitu vnútornej klímy, ale navyše vrátia až 88% tepla z nahriateho priestoru späť. Preto by malo byť na takýto vetrací systém pamätané už pri prvotnom plánovaní domu. A ako vôbec vyzerá decentrálne vetrací prístroj so spätným ziskom tepla? Poďme sa detailne zoznámiť s momentálne najtichším vetracím prístrojom na trhu, ktorým je prístroj značky inVENTer-iV14-Zero:  inVENTER_foto 3.jpg

Vetrací prístroj so spätným ziskom tepla iV14-Zero bol vyvinutý ako akusticky izolačná vetracia jednotka. Je koncipovaný na vetranie obývacích izieb a spální, rodinných domov či bytov, rovnako ako pracovných priestorov a kancelárií. Všeobecne sa inštaluje do obvodových múrov. Vetrací prístroj iV14-Zero sa skladá zo stavebnej priechodky, v ktorej je umiestnený zásuvný modul tepelného výmenníka, ďalej z vnútorného a vonkajšieho krytu. V stavebnej priechodke je umiestnená akusticko-izolačná vložka Inventin, ktorej materiál bol špeciálne vyvinutý pre zvukovú izoláciu. Zásuvný modul tepelného výmenníka sa skladá z keramického tepelného výmenníka a inVENTronu®. inVENTron® je jednotka umožňujúca optimalizované prúdenie vzduchu a tým efektívne využitie celej plochy keramického výmenníka, ktorá sa skladá z reverzného ventilátora a dvoch usmerňovačov. Akusticko-izolačná vložka Inventin, rovnako ako jedinečne geometricky riešený ventilátor Xenion®, efektívne redukujú priepustnosť zvuku na minimum. Ventilátory Xenion® a Xenion® EFP sú moderné ventilátory, dlhodobo vyvíjané špeciálne pre decentrálne vetracie systémy. V Xenione je spojený optimálny výkon až do 58 m3 / h a u Xenionu EFP až do 90 m3 / h a takmer nepočuteľný chod ventilátora. Práve dvojstupňové automatické prepínanie robí tento reverzný ventilátor obzvlášť tichým aj v prechodových fázach. Sofistikovaná geometria lopatiek ventilátora zaručuje rovnomerný prívod a odvod vzduchu a ich usporiadanie zabraňuje priamemu priechodu zvuku zvonku. Súčasťou ventilátora je integrovaný snímač teploty brániaci ochladenie interiéru v zime. Inteligentný stabilizátor navyše zaručuje tichý chod aj pri silných veterných nárazoch.

Aj keď sú decentrálne prístroje so spätným ziskom tepla lacnejšie, čo sa týka samotného nákupu alebo následnej údržby, než centrálne vetracie prístroje, napriek tomu je ich obstaranie aj tak pre investora určitou finančnou záťažou. Firma inVENTer si je týchto nákladov vedomá, a preto ponúka zaujímavé a atraktívne riešenie.

Rozdelenie dodávky tovaru na prípravné a kompletizačné sady

V prvom kroku je potrebné vypracovať návrh na umiestnenie vetracích prístrojov podľa konkrétneho stavebného projektu na základe platných noriem. Tu by malo byť stanovené, aký počet vetracích prístrojov, akého typu bude potrebné pre realizáciu projektu, aby bolo dosiahnuté žiaducich požiadaviek na vetranie. Počas konzultácie so špecialistami firmy Atrium bude tiež rozhodnuté, či sa v prvej fáze použijú iba prípravné sety, alebo bude nainštalovaný kompletný vetrací systém.

inVENTER_foto 4.jpg

Prípravný set sa skladá zo stavebnej priechodky, ktorá je inštalovaná s miernym spádom smerom von z budovy a je zabudovaná priamo pri výrobe jednotlivých panelov domu firmou Atrium. V stavebnej priechodke sú umiestnené takzvané polystyrénové záslepky, ktoré slúžia ako ochrana počas stavby.  

inVENTER_foto 5.jpg

Pre samotnú inštaláciu je k dispozícii viac možností prevedenia: už vo výrobe sa do drevostavieb odborne urobí otvor cez kompozit múru, do ktorého sa vloží stavebná priechodka s miernym sklonom smerom von, ktorá je zafixovaná špeciálnymi fóliami. InVENTer tiež ponúka ďalšiu možnosť v podobe inštalačných blokov, ktoré sú v rôznom prevedení podľa priemeru stavebnej priechodky, alebo inštalačný prvok Simplex, ktorý v sebe už stavebnú priechodku s požadovaným sklonom má zabudovanú.

Ďalšou súčasťou prípravnej sady je vonkajší kryt na vyústenie vetrania vyrobený z nerezovej ocele, ktorý si môže zákazník vybrať v štandardnej bielej, šedej alebo antracitovej farebnej úprave, na želanie je možné za príplatok dodať akúkoľvek inú farebnú úpravu podľa vzorkovníka RAL. Vonkajší kryt sa umiestňuje až po úplnom skončení stavebných prác na fasáde, a poskytuje spoľahlivú ochranu za akéhokoľvek počasia. V prípade potreby sú k dispozícii aj iné vonkajšie ukončenia vetracieho systému.

 inVENTER_foto 6.jpg       inVENTER_foto 7.jpg

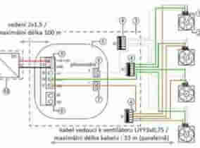
Ďalším krokom pri príprave inštalácie vetracích prístrojov je rozvod elektroinštalácie, v rámci prác na elektroinštaláciu v dome je príprava kabeláže podľa danej schémy zapojenia. Týmto krokom je nový dom pripravený na dokončenie inštalácie vetracieho zariadenia v podobe montáže exteriérovej sady, túto sadu je možné nainštalovať aj neskôr bez akýchkoľvek konštrukčných zásahov či preťahovania káblov v budove.

inVENTER_foto 8.jpg

Majitelia nehnuteľnosti sa potom môžu sami rozhodnúť, kedy a v akej miestnosti bude neskôr nainštalovaná exteriérová sada. Pri tomto kroku nemusí investor nakúpiť všetky komponenty naraz, ale môže dokončenie inštalácie vetracích prístrojov rozdeliť postupne do etáp. Týmto spôsobom nie je tak zaťažený finančný rozpočet v rámci stavby.

Zdroj: inventer.cz